MB8A轴承
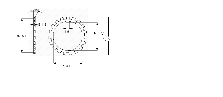
MB8A轴承(内径:40 外径:62厚度:1.8的MB(L)锁定垫圈),MB8A轴承是苏州凯诺永晟提供的SKF品牌轴承,
此外我公司还为您推荐各种国产、其他进口品牌替换MB8A轴承。公司承载着“以质量为本,服务为路线”的道路深得各机械行业公司的信任!
更多高转速、高载荷等适用于极限环境的轴承库存现货,请致电“0512-57922999”咨询!
| MB(L)锁定垫圈 | ||||||
|
|
||||||
| 尺寸 | 体积 | 型号 | ||||
| 锁紧垫圈 | 适宜的锁定螺母 | |||||
| d | d2 | B | ||||
|
|
||||||
| mm | kg | - | ||||
|
|
||||||
| 40 | 62 | 1,8 | 0,018 | MB 8 A | KM 8 | |
此轴承 样本图纸
同品牌推荐
轴承广泛应用于:食品杀菌设备 数控车床 打样机 圆锥齿轮减速机 滑动导轨 等离子切割机 力与变形检测仪 板式塔 激光切割机 化工管道及配件 打码机 塑料管材设备 凿岩机 压滤机 糖果机械 等领域。
