NJ205ECP轴承
			 NJ205ECP轴承(内径:25 外径:52厚度:15的圆柱滚子轴承),NJ205ECP轴承是苏州凯诺永晟提供的SKF品牌轴承,
			 此外我公司还为您推荐各种国产、其他进口品牌替换NJ205ECP轴承。公司承载着“以质量为本,服务为路线”的道路深得各机械行业公司的信任!
			 更多高转速、高载荷等适用于极限环境的轴承库存现货,请致电“0512-57922999”咨询!
		   
		  
  | 圆柱滚子轴承, 单列, NJ 设计 | ||||||||||||
| 公差 , 参见文字 | ||||||||||||
| 径向内部间隙, 圆柱型内孔 , 圆锥型内孔, 无密封件 , 参见文字 | ||||||||||||
| 推荐配合 | ||||||||||||
| 轴和轴承座公差 | ||||||||||||
|   | ||||||||||||
| 主要数据尺寸 | 基本负荷额定值 | 疲劳负荷限值 | 额定速度 | 体积 | 型号 | 适宜的斜挡圈 | ||||||
| 动态 | 静态 | 参照速度 | 限制速度 | 型号 | ||||||||
| d | D | B | C | C0 | Pu | |||||||
|   | ||||||||||||
| mm | kN | kN | r/min | kg | - | - | ||||||
|   | ||||||||||||
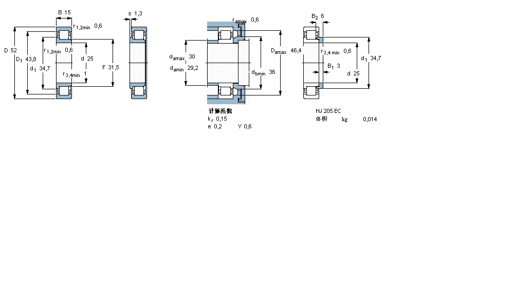
| 25 | 52 | 15 | 28,6 | 27 | 3,35 | 14000 | 16000 | 0,15 | NJ 205 ECP | HJ 205 EC | ||
此轴承 样本图纸
同品牌推荐
轴承广泛应用于:石油设备 立式减速机 数码印刷机 力与变形检测仪 逆变焊机 橡胶成型机 充磁机 押出设备 矿业元素分析仪 铲车 面包房设备 压力机 中餐店设备 万能试验机 瓦片机械 等领域。

