NJ315ECM轴承
			 NJ315ECM轴承(内径:75 外径:160厚度:37的圆柱滚子轴承),NJ315ECM轴承是苏州凯诺永晟提供的SKF品牌轴承,
			 此外我公司还为您推荐各种国产、其他进口品牌替换NJ315ECM轴承。公司承载着“以质量为本,服务为路线”的道路深得各机械行业公司的信任!
			 更多高转速、高载荷等适用于极限环境的轴承库存现货,请致电“0512-57922999”咨询!
		   
		  
  | 圆柱滚子轴承, 单列, NJ 设计 | ||||||||||||
| 公差 , 参见文字 | ||||||||||||
| 径向内部间隙, 圆柱型内孔 , 圆锥型内孔, 无密封件 , 参见文字 | ||||||||||||
| 推荐配合 | ||||||||||||
| 轴和轴承座公差 | ||||||||||||
|   | ||||||||||||
| 主要数据尺寸 | 基本负荷额定值 | 疲劳负荷限值 | 额定速度 | 体积 | 型号 | 适宜的斜挡圈 | ||||||
| 动态 | 静态 | 参照速度 | 限制速度 | 型号 | ||||||||
| d | D | B | C | C0 | Pu | * - SKF Explorer 轴承 | ||||||
|   | ||||||||||||
| mm | kN | kN | r/min | kg | - | - | ||||||
|   | ||||||||||||
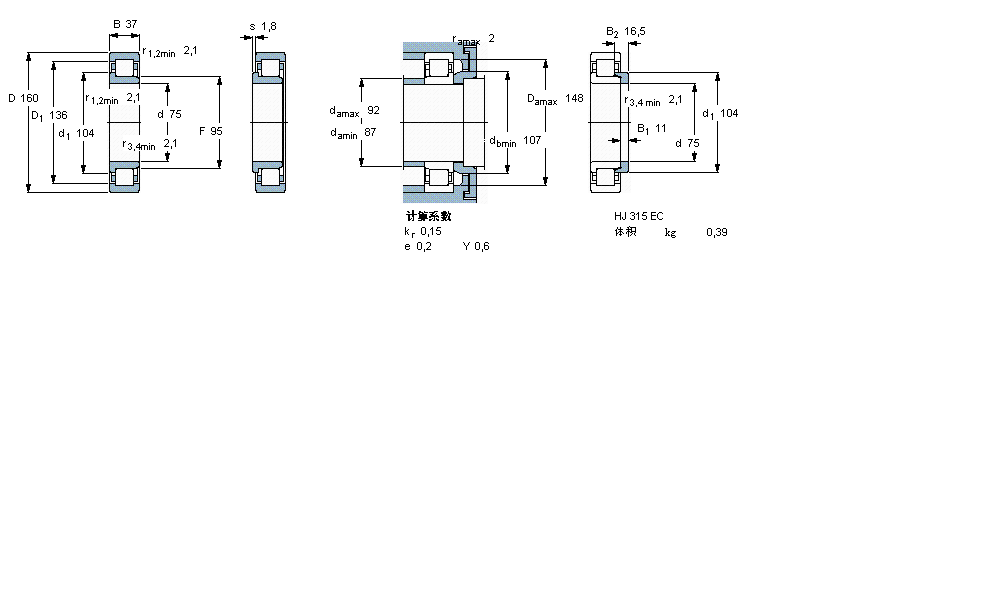
| 75 | 160 | 37 | 280 | 265 | 33,5 | 4500 | 5300 | 3,65 | NJ 315 ECM * | HJ 315 EC | ||
此轴承 样本图纸
同品牌推荐
轴承广泛应用于:混凝土搅拌机 环保设备 模具 制砖机械 饮料生产设备 潜水泵 高频焊机 等离子切割机 钢筋切断机 螺杆泵 军工 静压导轨 装载机械 铆接设备 涂装生产线 等领域。

