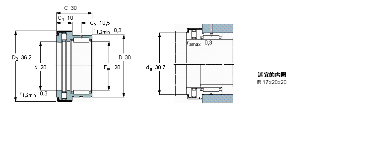
NKXR20Z轴承
NKXR20Z轴承(内径:20 外径:30厚度:30的组合式滚针轴承),NKXR20Z轴承是苏州凯诺永晟提供的SKF品牌轴承,
此外我公司还为您推荐各种国产、其他进口品牌替换NKXR20Z轴承。公司承载着“以质量为本,服务为路线”的道路深得各机械行业公司的信任!
更多高转速、高载荷等适用于极限环境的轴承库存现货,请致电“0512-57922999”咨询!
| 组合式滚针轴承, 滚针/圆柱滚子推力轴承 | ||||||||||||||
| 公差 , 参见文字 | ||||||||||||||
| 径向内部游隙 , 参见文字 | ||||||||||||||
| 推荐配合 | ||||||||||||||
| 轴和轴承座公差 | ||||||||||||||
|
|
||||||||||||||
| 主要数据尺寸 | 基本负荷额定值 | 疲劳负荷限值 | 最小负荷系数 | 额定速度 | 体积 | 型号 | ||||||||
| 径向 | 轴向 | 参照速度 | 限制速度 | |||||||||||
| 动态 | 静态 | 动态 | 静态 | 径向 | 轴向 | |||||||||
| Fw | D | C | C | C0 | C | C0 | Pu | Pu | A | |||||
|
|
||||||||||||||
| mm | kN | kN | - | r/min | kg | - | ||||||||
|
|
||||||||||||||
| 20 | 30 | 30 | 16,8 | 26 | 18,6 | 48 | 3,05 | 4,65 | 0,00018 | 3800 | 7500 | 0,084 | NKXR 20 Z | |
此轴承 样本图纸
同品牌推荐
轴承广泛应用于:带锯床 工业炉 平衡机 柱塞泵 静电喷涂机 橡胶裁断机 汽车消声器 调味品加工设备 热转印设备 不锈钢反应釜 垃圾焚烧炉 六角车床 消防泵 胶囊充填机 脱硫除尘设备 等领域。
