NNCF4922CV轴承
			 NNCF4922CV轴承(内径:110 外径:150厚度:40的圆柱滚子轴承),NNCF4922CV轴承是苏州凯诺永晟提供的SKF品牌轴承,
			 此外我公司还为您推荐各种国产、其他进口品牌替换NNCF4922CV轴承。公司承载着“以质量为本,服务为路线”的道路深得各机械行业公司的信任!
			 更多高转速、高载荷等适用于极限环境的轴承库存现货,请致电“0512-57922999”咨询!
		   
		  
  | 圆柱滚子轴承, 双列满装滚子, 无密封件, 单方向轴向负荷的挡边 | ||||||||||
| 公差 , 参见文字 | ||||||||||
| 径向内部游隙 , 参见文字 | ||||||||||
| 推荐配合 | ||||||||||
| 轴和轴承座公差 | ||||||||||
|   | ||||||||||
| 主要数据尺寸 | 基本负荷额定值 | 疲劳负荷限值 | 额定速度 | 体积 | 型号 | |||||
| 动态 | 静态 | 参照速度 | 限制速度 | |||||||
| d | D | B | C | C0 | Pu | |||||
|   | ||||||||||
| mm | kN | kN | r/min | kg | - | |||||
|   | ||||||||||
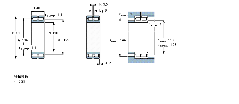
| 110 | 150 | 40 | 220 | 430 | 49 | 1900 | 2400 | 2,12 | NNCF 4922 CV | |
此轴承 样本图纸
同品牌推荐
轴承广泛应用于:管式反应器 消防泵 调味品加工设备 把手 启闭机 电子 立式减速机 注塑机 切纸机 塑料混色机 节能熔炼炉 烫金机 手动喷砂机 再生破碎机 涂装除尘设备 等领域。

