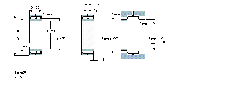
NNCF5044CV轴承
NNCF5044CV轴承(内径:220 外径:340厚度:160的圆柱滚子轴承),NNCF5044CV轴承是苏州凯诺永晟提供的SKF品牌轴承,
此外我公司还为您推荐各种国产、其他进口品牌替换NNCF5044CV轴承。公司承载着“以质量为本,服务为路线”的道路深得各机械行业公司的信任!
更多高转速、高载荷等适用于极限环境的轴承库存现货,请致电“0512-57922999”咨询!
| 圆柱滚子轴承, 双列满装滚子, 无密封件, 单方向轴向负荷的挡边 | ||||||||||
| 公差 , 参见文字 | ||||||||||
| 径向内部游隙 , 参见文字 | ||||||||||
| 推荐配合 | ||||||||||
| 轴和轴承座公差 | ||||||||||
|
|
||||||||||
| 主要数据尺寸 | 基本负荷额定值 | 疲劳负荷限值 | 额定速度 | 体积 | 型号 | |||||
| 动态 | 静态 | 参照速度 | 限制速度 | |||||||
| d | D | B | C | C0 | Pu | |||||
|
|
||||||||||
| mm | kN | kN | r/min | kg | - | |||||
|
|
||||||||||
| 220 | 340 | 160 | 2010 | 3600 | 375 | 850 | 1100 | 52,5 | NNCF 5044 CV | |
此轴承 样本图纸
同品牌推荐
轴承广泛应用于:通风机 陶瓷建材加工设备 塑料拉丝机 工业缝纫机 卧式车床 无级变速机 饼干机械 注塑机 凸版印刷机 炼铁设备 推土机 汽车消声器 混合设备 口服液制药设备 磁性分离器 等领域。
