NU1018ML轴承
NU1018ML轴承(内径:90 外径:140厚度:24的圆柱滚子轴承),NU1018ML轴承是苏州凯诺永晟提供的SKF品牌轴承,
此外我公司还为您推荐各种国产、其他进口品牌替换NU1018ML轴承。公司承载着“以质量为本,服务为路线”的道路深得各机械行业公司的信任!
更多高转速、高载荷等适用于极限环境的轴承库存现货,请致电“0512-57922999”咨询!
| 圆柱滚子轴承, 单列, NU 设计 | ||||||||||||
| 公差 , 参见文字 | ||||||||||||
| 径向内部间隙, 圆柱型内孔 , 圆锥型内孔, 无密封件 , 参见文字 | ||||||||||||
| 推荐配合 | ||||||||||||
| 轴和轴承座公差 | ||||||||||||
|
|
||||||||||||
| 主要数据尺寸 | 基本负荷额定值 | 疲劳负荷限值 | 额定速度 | 体积 | 型号 | 适宜的斜挡圈 | ||||||
| 动态 | 静态 | 参照速度 | 限制速度 | 型号 | ||||||||
| d | D | B | C | C0 | Pu | |||||||
|
|
||||||||||||
| mm | kN | kN | r/min | kg | - | - | ||||||
|
|
||||||||||||
| 90 | 140 | 24 | 80,9 | 104 | 12,7 | 5600 | 8500 | 1,35 | NU 1018 ML | - | ||
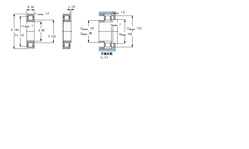
此轴承 样本图纸
同品牌推荐
轴承广泛应用于:立式橡胶机械 蚀刻机 切纸机 塑料机械 液压卡盘 端子机 插件机 吸塑机 凹版印刷机 塔式起重机 实验室用混合设备 翻斗车 植保机械 冲击试验机 陶瓷切割机 等领域。
