NU212ECP轴承
NU212ECP轴承(内径:60 外径:110厚度:22的圆柱滚子轴承),NU212ECP轴承是苏州凯诺永晟提供的SKF品牌轴承,
此外我公司还为您推荐各种国产、其他进口品牌替换NU212ECP轴承。公司承载着“以质量为本,服务为路线”的道路深得各机械行业公司的信任!
更多高转速、高载荷等适用于极限环境的轴承库存现货,请致电“0512-57922999”咨询!
| 圆柱滚子轴承, 单列, NU 设计 | ||||||||||||
| 公差 , 参见文字 | ||||||||||||
| 径向内部间隙, 圆柱型内孔 , 圆锥型内孔, 无密封件 , 参见文字 | ||||||||||||
| 推荐配合 | ||||||||||||
| 轴和轴承座公差 | ||||||||||||
|
|
||||||||||||
| 主要数据尺寸 | 基本负荷额定值 | 疲劳负荷限值 | 额定速度 | 体积 | 型号 | 适宜的斜挡圈 | ||||||
| 动态 | 静态 | 参照速度 | 限制速度 | 型号 | ||||||||
| d | D | B | C | C0 | Pu | * - SKF Explorer 轴承 | ||||||
|
|
||||||||||||
| mm | kN | kN | r/min | kg | - | - | ||||||
|
|
||||||||||||
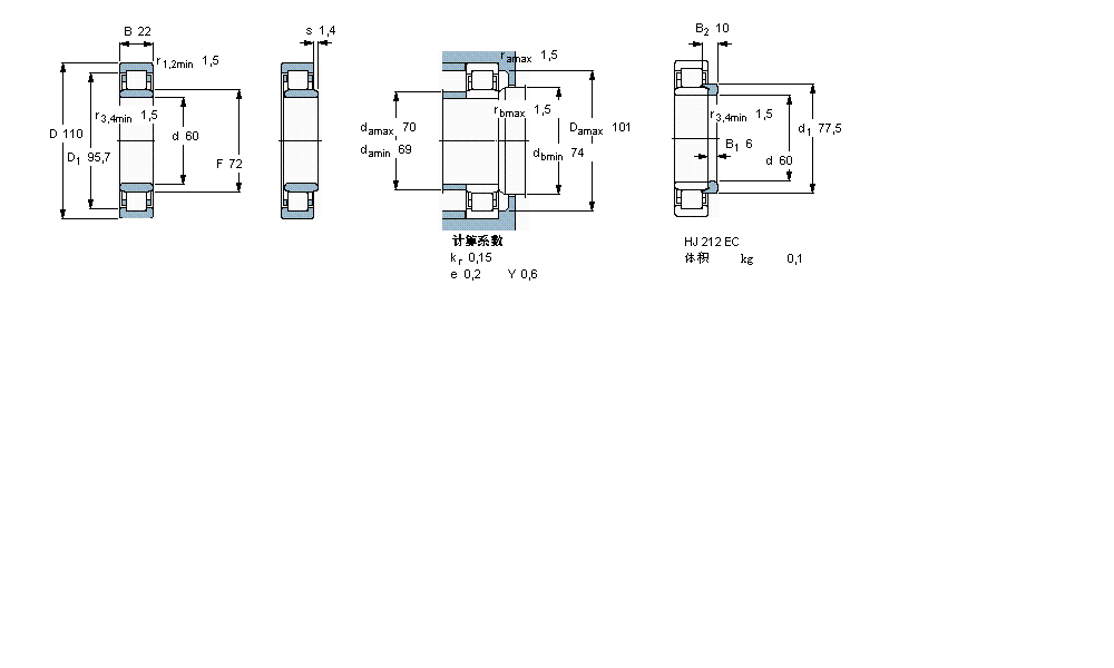
| 60 | 110 | 22 | 108 | 102 | 13,4 | 6700 | 7500 | 0,81 | NU 212 ECP * | HJ 212 EC | ||
此轴承 样本图纸
同品牌推荐
轴承广泛应用于:铝塑包装机 牵引、矫正设备 包装辅助设备 工装夹具 果蔬加工设备 机械 纺织辅助设备 络筒并捻机械 塑机辅机 土壤耕整机械 塑料机械 气流干燥设备 压塑机 除铁机 磁性分离器 等领域。
