NU2272MA轴承
			 NU2272MA轴承(内径:360 外径:650厚度:170的圆柱滚子轴承),NU2272MA轴承是苏州凯诺永晟提供的SKF品牌轴承,
			 此外我公司还为您推荐各种国产、其他进口品牌替换NU2272MA轴承。公司承载着“以质量为本,服务为路线”的道路深得各机械行业公司的信任!
			 更多高转速、高载荷等适用于极限环境的轴承库存现货,请致电“0512-57922999”咨询!
		   
		  
  | 圆柱滚子轴承, 单列, NU 设计 | ||||||||||||
| 公差 , 参见文字 | ||||||||||||
| 径向内部间隙, 圆柱型内孔 , 圆锥型内孔, 无密封件 , 参见文字 | ||||||||||||
| 推荐配合 | ||||||||||||
| 轴和轴承座公差 | ||||||||||||
|   | ||||||||||||
| 主要数据尺寸 | 基本负荷额定值 | 疲劳负荷限值 | 额定速度 | 体积 | 型号 | 适宜的斜挡圈 | ||||||
| 动态 | 静态 | 参照速度 | 限制速度 | 型号 | ||||||||
| d | D | B | C | C0 | Pu | |||||||
|   | ||||||||||||
| mm | kN | kN | r/min | kg | - | - | ||||||
|   | ||||||||||||
| 360 | 650 | 170 | 2920 | 4900 | 400 | 950 | 1400 | 250 | NU 2272 MA | - | ||
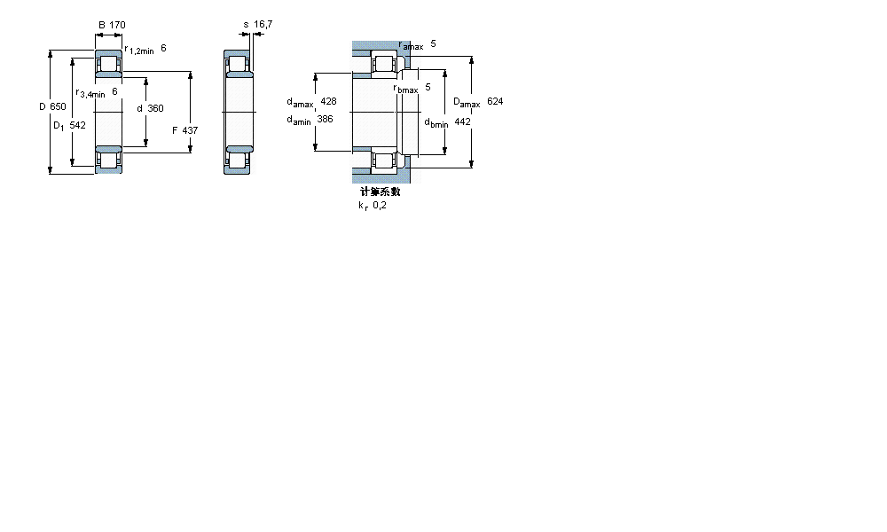
此轴承 样本图纸
同品牌推荐
轴承广泛应用于:化工管道及配件 上光机 冶炼设备 分选筛 制冷压缩机 挖掘装载机 后帮机 场上作业机械 冲击试验机 鼓风机 阻火器 塑料混色机 铝塑包装机 试验机 硫化机 等领域。

