NUP2319ECML轴承
			 NUP2319ECML轴承(内径:95 外径:200厚度:67的圆柱滚子轴承),NUP2319ECML轴承是苏州凯诺永晟提供的SKF品牌轴承,
			 此外我公司还为您推荐各种国产、其他进口品牌替换NUP2319ECML轴承。公司承载着“以质量为本,服务为路线”的道路深得各机械行业公司的信任!
			 更多高转速、高载荷等适用于极限环境的轴承库存现货,请致电“0512-57922999”咨询!
		   
		  
  | 圆柱滚子轴承, 单列, NUP 设计 | ||||||||||||
| 公差 , 参见文字 | ||||||||||||
| 径向内部间隙, 圆柱型内孔 , 圆锥型内孔, 无密封件 , 参见文字 | ||||||||||||
| 推荐配合 | ||||||||||||
| 轴和轴承座公差 | ||||||||||||
|   | ||||||||||||
| 主要数据尺寸 | 基本负荷额定值 | 疲劳负荷限值 | 额定速度 | 体积 | 型号 | 适宜的斜挡圈 | ||||||
| 动态 | 静态 | 参照速度 | 限制速度 | 型号 | ||||||||
| d | D | B | C | C0 | Pu | * - SKF Explorer 轴承 | ||||||
|   | ||||||||||||
| mm | kN | kN | r/min | kg | - | - | ||||||
|   | ||||||||||||
| 95 | 200 | 67 | 530 | 585 | 69,5 | 3600 | 6300 | 9,75 | NUP 2319 ECML * | - | ||
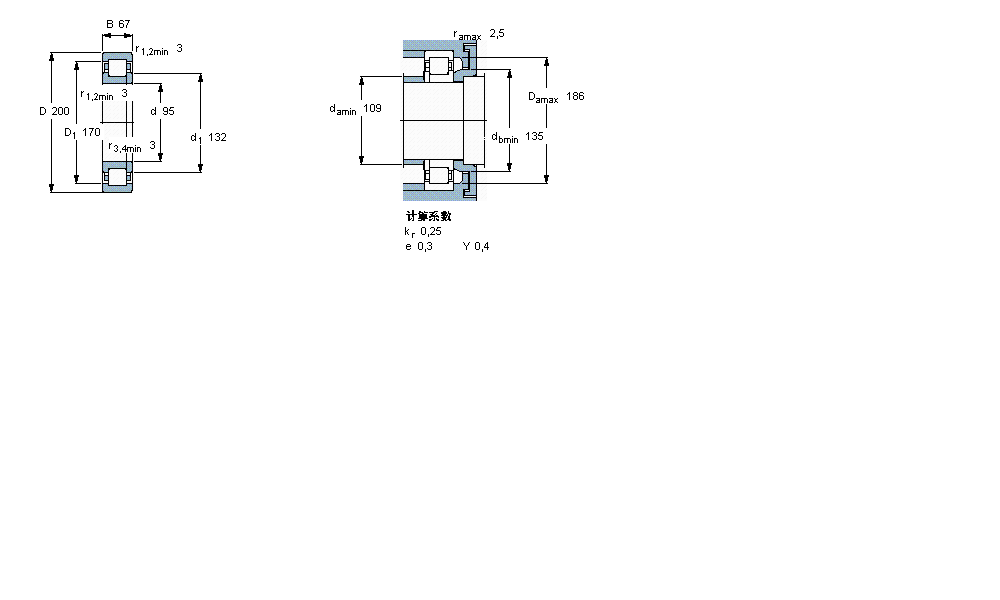
此轴承 样本图纸
同品牌推荐
轴承广泛应用于:装载机械 其它 整熨设备洗涤设备 提升机 顶尖、顶针 摩擦焊机 制鞋机械 跌落试验机 热压机 塑料包装机械 等离子焊机 切纸机 干燥机 叉车 皮带轮 等领域。

