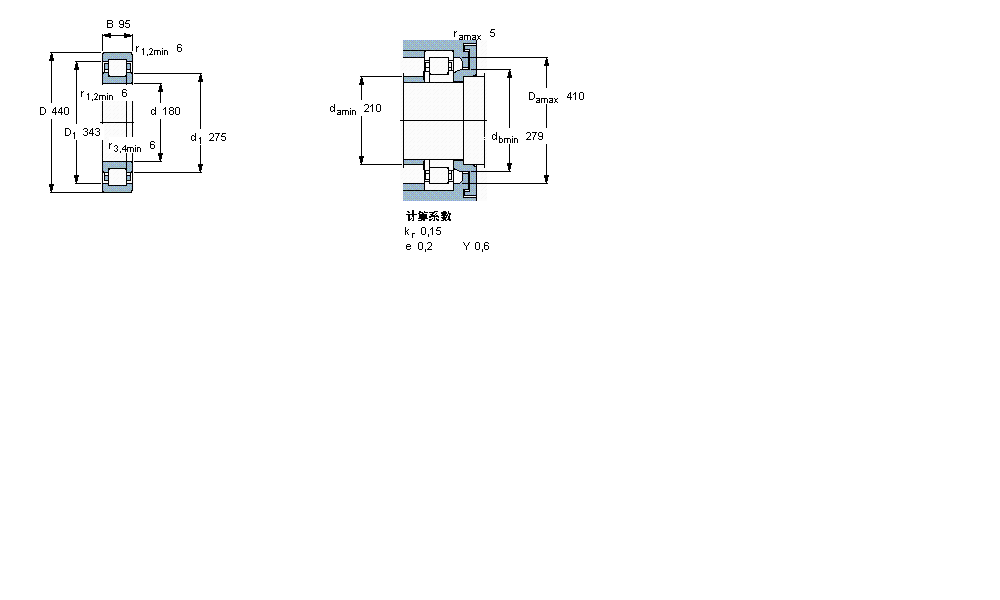
NUP436MA轴承
NUP436MA轴承(内径:180 外径:440厚度:95的圆柱滚子轴承),NUP436MA轴承是苏州凯诺永晟提供的SKF品牌轴承,
此外我公司还为您推荐各种国产、其他进口品牌替换NUP436MA轴承。公司承载着“以质量为本,服务为路线”的道路深得各机械行业公司的信任!
更多高转速、高载荷等适用于极限环境的轴承库存现货,请致电“0512-57922999”咨询!
| 圆柱滚子轴承, 单列, NUP 设计 | ||||||||||||
| 公差 , 参见文字 | ||||||||||||
| 径向内部间隙, 圆柱型内孔 , 圆锥型内孔, 无密封件 , 参见文字 | ||||||||||||
| 推荐配合 | ||||||||||||
| 轴和轴承座公差 | ||||||||||||
|
|
||||||||||||
| 主要数据尺寸 | 基本负荷额定值 | 疲劳负荷限值 | 额定速度 | 体积 | 型号 | 适宜的斜挡圈 | ||||||
| 动态 | 静态 | 参照速度 | 限制速度 | 型号 | ||||||||
| d | D | B | C | C0 | Pu | |||||||
|
|
||||||||||||
| mm | kN | kN | r/min | kg | - | - | ||||||
|
|
||||||||||||
| 180 | 440 | 95 | 1250 | 1600 | 150 | 1600 | 2400 | 80,0 | NUP 436 MA | - | ||
此轴承 样本图纸
同品牌推荐
轴承广泛应用于:混凝土搅拌机 多功能包装机 矿业元素分析仪 机械通风冷却塔 实验室用混合设备 同轴减速机 罗茨泵 反应釜 压合机 钉跟机 雕刻机 浮法玻璃生产线 吸上式喷枪 隔音、吸声材料 软化水设备 等领域。
