OH3052H轴承
			 OH3052H轴承(内径:- 外径:-厚度:-的紧定套),OH3052H轴承是苏州凯诺永晟提供的SKF品牌轴承,
			 此外我公司还为您推荐各种国产、其他进口品牌替换OH3052H轴承。公司承载着“以质量为本,服务为路线”的道路深得各机械行业公司的信任!
			 更多高转速、高载荷等适用于极限环境的轴承库存现货,请致电“0512-57922999”咨询!
		   
		  
  | 紧定套 | ||||||||||
|   | ||||||||||
| 尺寸 | 体积 | 型号 | ||||||||
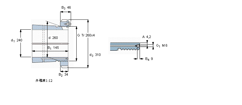
| 紧定轴套带螺母 | 锁定螺母 | 锁定装置 | 适宜的液压 | |||||||
| d1 | d | d3 | B1 | G | 和锁紧装置 | 螺母 | ||||
|   | ||||||||||
| mm | kg | - | ||||||||
|   | ||||||||||
| 240 | 260 | 310 | 145 | Tr 260x4 | 13,5 | OH 3052 H | HM 3052 | MS 3052-48 | HMV 52 E | |
此轴承 样本图纸
同品牌推荐
轴承广泛应用于:分凝器 机床接杆 激光切割机 地矿勘测、选矿设备 诊察设备 橡胶接头机 服装机械设备 针轮减速机 冷冻机 回流焊接机 缝前设备 塑料印刷设备 军工 车床 非织造布机械 等领域。

