PDNB308轴承
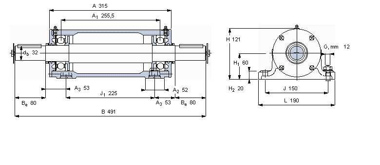
			 PDNB308轴承(内径:32 外径:491厚度:121的双轴承单元),PDNB308轴承是苏州凯诺永晟提供的SKF品牌轴承,
			 此外我公司还为您推荐各种国产、其他进口品牌替换PDNB308轴承。公司承载着“以质量为本,服务为路线”的道路深得各机械行业公司的信任!
			 更多高转速、高载荷等适用于极限环境的轴承库存现货,请致电“0512-57922999”咨询!
		   
		  
  | 双轴承单元, PDNB单元 | ||||||||||
|   | ||||||||||
| 尺寸 | 整体轴承 | 质量 | 型号 | |||||||
| Key402 | 定位轴承 | 轴承单元 | ||||||||
| db | B | H | H1 | L | ||||||
|   | ||||||||||
| mm | - | kg | - | |||||||
|   | ||||||||||
| 32 | 491 | 121 | 60 | 190 | 6308 | 6308 | - | 19,5 | PDNB 308 | |
此轴承 样本图纸
同品牌推荐
轴承广泛应用于:卧式橡胶机械 锻压机床 铆接设备 捏合机 监护设备 变速机 塔吊 轧钢设备 吹瓶机 彩印机 圆柱齿轮减速机 重选设备 螺杆式冷水机 食用油加工设备 烤漆设备 等领域。

