SYNT100F轴承
SYNT100F轴承(内径:- 外径:-厚度:-的滚子轴承立式轴承座单元),SYNT100F轴承是苏州凯诺永晟提供的SKF品牌轴承,
此外我公司还为您推荐各种国产、其他进口品牌替换SYNT100F轴承。公司承载着“以质量为本,服务为路线”的道路深得各机械行业公司的信任!
更多高转速、高载荷等适用于极限环境的轴承库存现货,请致电“0512-57922999”咨询!
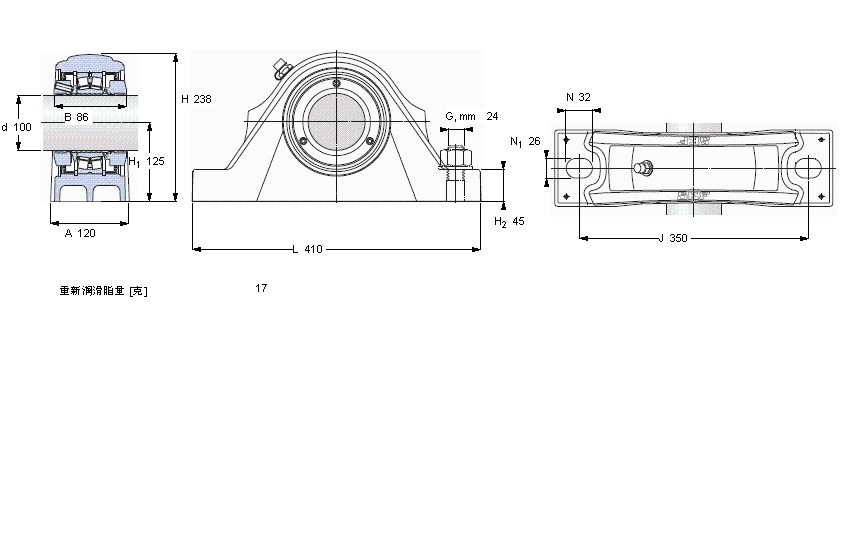
| 滚子轴承立式轴承座单元, SKF ConCentra, locating units, general conditions (double-lip seals) | ||||||||||||
|
|
||||||||||||
| 尺寸 | 尺寸 [英寸] | 疲劳负荷限值 | 限制速度 | 体积 | 型号 | 轴承,基本型号 | ||||||
| 动态 | 静态 | |||||||||||
| da | A | H | H1 | L | C | C0 | Pu | |||||
|
|
||||||||||||
| mm | kN | kN | r/min | kg | - | - | ||||||
|
|
||||||||||||
| 100 | 120 | 238 | 125 | 410 | 425 | 490 | 49 | 2000 | 26 | SYNT 100 F | 22220 E | |
此轴承 样本图纸
同品牌推荐
轴承广泛应用于:立式减速机 门式起重机 豆制品加工设备 排污泵 冶金 土壤耕整机械 化工设备 压铸机 机械通风冷却塔 熨烫机 压片机 压纹机 箱式干燥设备 压平机 塑料拉丝机 等领域。
