SYNT100FTF轴承
SYNT100FTF轴承(内径:- 外径:-厚度:-的滚子轴承立式轴承座单元),SYNT100FTF轴承是苏州凯诺永晟提供的SKF品牌轴承,
此外我公司还为您推荐各种国产、其他进口品牌替换SYNT100FTF轴承。公司承载着“以质量为本,服务为路线”的道路深得各机械行业公司的信任!
更多高转速、高载荷等适用于极限环境的轴承库存现货,请致电“0512-57922999”咨询!
| 滚子轴承立式轴承座单元, SKF ConCentra, locating units, radial shaft seals | ||||||||||||
|
|
||||||||||||
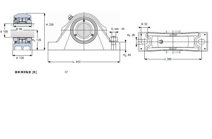
| 尺寸 | 尺寸 [英寸] | 疲劳负荷限值 | 限制速度 | 体积 | 型号 | 轴承,基本型号 | ||||||
| 动态 | 静态 | |||||||||||
| da | A | H | H1 | L | C | C0 | Pu | |||||
|
|
||||||||||||
| mm | kN | kN | r/min | kg | - | - | ||||||
|
|
||||||||||||
| 100 | 120 | 238 | 125 | 410 | 425 | 490 | 49 | 1000 | 26 | SYNT 100 FTF | 22220 E | |
此轴承 样本图纸
同品牌推荐
轴承广泛应用于:气流干燥设备 模温机 工程及工程设计 原料药设备及机械 兽用器械 通风机 固废处理设备 平衡机 滚焊机 压力机 打码机 垃圾处理机 螺杆冷冻机 检验分析设备 条码设备 等领域。
