VJ-PDNB218轴承
VJ-PDNB218轴承(内径:80 外径:90厚度:251的双轴承单元),VJ-PDNB218轴承是苏州凯诺永晟提供的SKF品牌轴承,
此外我公司还为您推荐各种国产、其他进口品牌替换VJ-PDNB218轴承。公司承载着“以质量为本,服务为路线”的道路深得各机械行业公司的信任!
更多高转速、高载荷等适用于极限环境的轴承库存现货,请致电“0512-57922999”咨询!
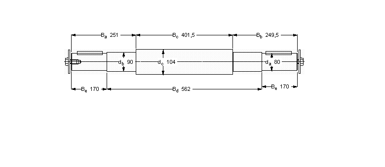
| 双轴承单元, 用PDNB单元的轴 | ||||||||||
|
|
||||||||||
| 尺寸 | 键 | 质量 | 型号 | |||||||
| da | db | Ba | Bb | Bc | Bd | Be | ||||
|
|
||||||||||
| mm | - | kg | - | |||||||
|
|
||||||||||
| 80 | 90 | 251 | 249,5 | 401,5 | 562 | 170 | 22x14x140 | 47,5 | VJ-PDNB 218 | |
此轴承 样本图纸
同品牌推荐
轴承广泛应用于:干式冷却塔 电子元件成型机 行星减速机 炊事设备 纺织设备和器材 空气干燥机 抛光设备 医用车、床、台 土壤耕整机械 折弯机 石材机械 钻采设备 模温机 验布机 单级泵 等领域。
