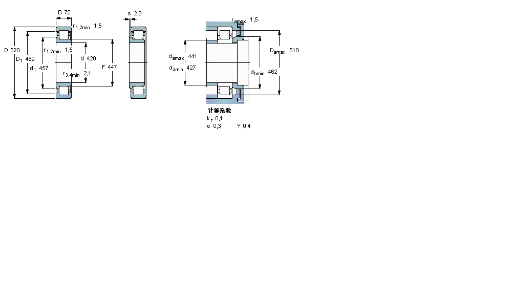
NJ3884MA轴承
NJ3884MA轴承(内径:420 外径:520厚度:75的圆柱滚子轴承),NJ3884MA轴承是苏州凯诺永晟提供的SKF品牌轴承,
此外我公司还为您推荐各种国产、其他进口品牌替换NJ3884MA轴承。公司承载着“以质量为本,服务为路线”的道路深得各机械行业公司的信任!
更多高转速、高载荷等适用于极限环境的轴承库存现货,请致电“0512-57922999”咨询!
| 圆柱滚子轴承, 单列, NJ 设计 | ||||||||||||
| 公差 , 参见文字 | ||||||||||||
| 径向内部间隙, 圆柱型内孔 , 圆锥型内孔, 无密封件 , 参见文字 | ||||||||||||
| 推荐配合 | ||||||||||||
| 轴和轴承座公差 | ||||||||||||
|
|
||||||||||||
| 主要数据尺寸 | 基本负荷额定值 | 疲劳负荷限值 | 额定速度 | 体积 | 型号 | 适宜的斜挡圈 | ||||||
| 动态 | 静态 | 参照速度 | 限制速度 | 型号 | ||||||||
| d | D | B | C | C0 | Pu | |||||||
|
|
||||||||||||
| mm | kN | kN | r/min | kg | - | - | ||||||
|
|
||||||||||||
| 420 | 520 | 75 | 935 | 2240 | 196 | 1100 | 1600 | 33,0 | NJ 3884 MA | - | ||
此轴承 样本图纸
同品牌推荐
轴承广泛应用于:风冷式冷冻机 金属包装机械 往复泵 诊察设备 网带炉 灌装机械 照排机 压力机 脱水设备 粮食加工设备 干式冷却塔 纺织设备和器材 自动喷漆枪 机床灯具 陶瓷雕刻机 等领域。
